您好,欢迎访问浙江齿轮减速电机有限公司网站!
咨询热线:0575-82212453 / 82021379 / 82024960 / 82111863
联系我们
新闻资讯
生产设备
产品中心
关于我们
网站首页
1
2
3
产品详情
Product details
产品列表
PRODUCTS LIST
减速机系列
- R系列斜齿轮硬齿面减速机
- S系列斜齿-蜗轮蜗杆减速机
- K系列斜齿-螺旋锥齿轮减速机
- F系列平行轴斜齿轮减速机
- T系列螺旋锥齿轮向箱
- H、B系列标准工业齿轮箱
- 斗式提升机用减速机
- P系列行星齿轮减速机
- VS转向器
- 摆线针轮减速机
- TXR系列斜齿轮减速机
- TXF系列平行轴斜齿轮减速机
- TXK系列斜齿轮-锥齿轮减速机
- TXS系列斜齿轮-蜗轮减速机
- YCJ系列斜齿轮减速机
- YCJ-B系列斜齿轮减速机
- YTC系列齿轮减速机
- ZDY、ZLY、ZSY系列硬齿面圆柱齿轮减速器
- DBY、DBYK、DCY、DCYK系列圆锥圆柱齿轮减速器
电机系列
- Y系列(IP44)小型三相异步电动机
- YD系列变极多速三相异步电动机
- YEJ系列电磁制动三相异步电动机
- YVP系列变频调速三相异步电动机
- YG系列辊道用三相异步电动机
- YGP系列变频调速辊道用三相异步电动机
- YVPG系列变频调速辊道用三相异步电动机
- Y2系列三相异步电动机
- YVF2系列变频调速三相异步电动机
- YH系列高转差率三相异步电动机
- YCF系列风机专用三相异步电动机
服务咨询热线:
0575-82212453
0575-82021379
0575-82024960
0575-82111863
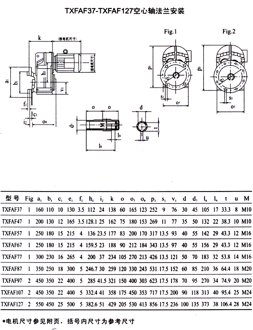
TXF系列平行轴斜齿轮减速机
Copyright © 浙江齿轮减速电机有限公司版权所有
浙ICP备17042470号-1